



應用范圍:催化廢氣焚燒爐是石油化工、輕工、塑料、印刷、涂料等行業排放的常見污染物,有機廢氣中常含有烴類化合物(芳烴、烷烴、烯烴)、含氧有機化合物(醇、酮、有機酸等)、含氮、硫、鹵素及含磷有機化合物等。
產品規格:催化廢氣焚燒爐設備規格通常是需要客戶定制說明的,需要客戶提供催化廢氣焚燒爐技術規格不要求,方可提供催化廢氣焚燒爐選型標準。
廢氣焚燒爐在工業生產過程中,產生了大量廢水,其中大部分是可以用常規生化或物理方式來處理,但還是有少量高濃度廢水,廢氣焚燒爐的COD高達十幾萬甚至上百萬,而且還含有機鹽,傳統的污水處理方法對此無能為力。
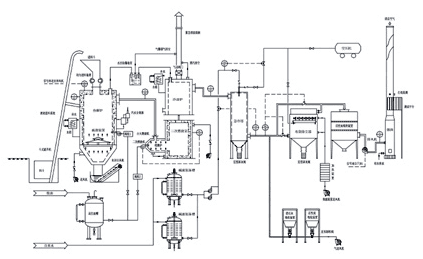
河南雙誠環境科技有限公司設計制造廢氣,廢液,固廢三廢焚燒治理設備的高科技企業,雙誠針對目前中國工業三廢污染的嚴重性,緊迫性,通過對國際三廢處理技術的精心調研,依托高等院校,引進國外的焚燒技術,結合生產中實際情況,廢氣焚燒爐采用固液兩用焚燒技術,國內的三廢焚燒處理系統方案,解決當今工業環境污染問題。
采用公司自主研發的霧化器,其混合程度、霧化效果、燃燒速度及效率極高,過剩空氣系數低,可節約大量燃料;霧化噴頭口徑大,對流體之粘度、雜質含量要求不高,不易堵塞;采用低壓噴霧方式,比高壓噴槍式安全,不易磨損,不易故障,燃燒效果好等優勢。
配圖: